产品中心

Products

当前位置:首页>产品中心>分析仪器>瑞士Keller AG>

瑞士Keller AG 9FL系列压力传感器

更新时间:2025-07-13

浏览量:1535

  • 品牌:瑞士Keller AG
  • 型号:9FL系列
  • 描述:9FL系列压力传感器有一个紧凑,坚固的不锈钢外壳,其长时间稳定性使其适用于多种的OEM应用。 金属膜片焊接在正面齐平且无间隙,将由硅制成的压阻式压力传感器与测量介质分离。 每个压力传感器在整个压力和温...
  • 在线订购
  • 微信咨询

    QQ咨询

    在线客服

产品介绍

瑞士Keller AG 9FL系列压力传感器描述:

数据表 用户手册

9FL系列压力传感器有一个紧凑,坚固的不锈钢外壳,其长时间稳定性使其适用于多种的OEM应用。 金属膜片焊接在正面齐平且无间隙,将由硅制成的压阻式压力传感器与测量介质分离。 每个压力传感器在整个压力和温度截面上进行测量,并提供详细的标定证书.

压力量程:0…0,2到0…200 bar

精度:± 0,25 %FS

长时间稳定性:± 0,2 %FS

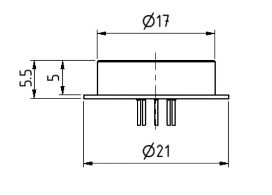
尺寸:⌀ 17 mm x 5,5 mm

温度范围:-40…125 °C

素描

咨询微信客服

咨询微信客服

QQ在线客服

客服热线:

0I0-52867770
0I0-52867771
I3811111452
I7896005796

技术支持

0I0-52867774
I7896005796
收起

扫一扫,关注官方账号

扫一扫,关注官方账号

010-52867771

在线客服