Products

current position:home page>Products>Analysis Instrument>keller-ag>

Keller AG Series 9FL Pressure Transducers

Updated:2025-07-13

Views:1537

  • Brand: Keller AG
  • Model: Series 9FL
  • Description: The pressure transducers of the 9FL series have a compact, robust housing made of stainless steel, giving them outstanding long-term stability for a range of OEM applications. The metal diaphragm is
  • Feedback
  • WeChat

    QQ

    Online Service

Product Details

Keller AG Series 9FL Pressure Transducers Description:

Datasheet User's Manual

The pressure transducers of the 9FL series have a compact, robust housing made of stainless steel, giving them outstanding long-term stability for a range of OEM applications. The metal diaphragm is welded on front-flush and gap-free, separating off the piezoresistive pressure sensor, which is made of silicon, from the measuring medium. Every pressure transducer is measured over the entire pressure and temperature profile and is supplied with a detailed calibration sheet.

Pressure Ranges:0…0,2 to 0…200 bar

Accuracy:± 0,25 %FS

Long Term Stability:± 0,2 %FS

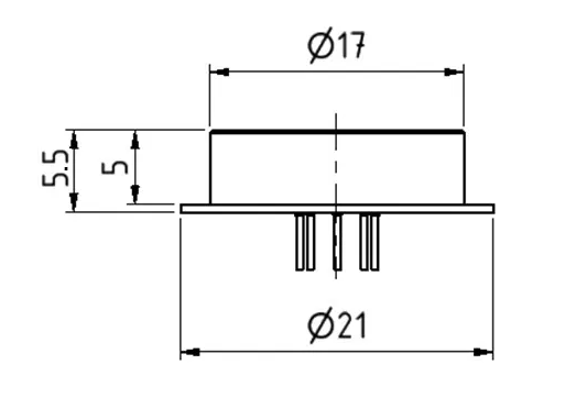
Dimensions:⌀ 17 mm x 5,5 mm

Temperature Range:-40…125 °C

Sketch

WeChat

Customer Service QQ

Customer Hotline:

010-52867770
0l0-52867771
l3811111452
l7896OO5796

Technical Supports

0l0-52867774
l7896OO5796
info@dorgean.com