Products

current position:home page>Products>optical instrument>Ophir>

L40(250)A-LP2-50 7Z02794 Thermal Power/Energy Laser Measurement Sensor

Updated:2025-03-13

Views:1369

  • Brand:Ophir
  • Model:L40(250)A-LP2-50
  • Description: The L40(250)A-LP2-50 is a thermal power/energy laser measurement sensor for high power density and long pulse lasers. It has a 50mm aperture and can measure from 300mW to 40W continuously and to 250W
  • Feedback
  • WeChat

    QQ

    Online Service

Product Details

L40(250)A-LP2-50 7Z02794 Thermal Power/Energy Laser Measurement Sensor Description:

The L40(250)A-LP2-50 is a thermal power/energy laser measurement sensor for high power density and long pulse lasers. It has a 50mm aperture and can measure from 300mW to 40W continuously and to 250W intermittently. It can measure energy from 100mJ to 10,000J. The sensor is able to measure high power lasers of up to 10kW by measuring the energy of 0.3 - 2s exposure to the laser. The high damage threshold LP2 absorber covers the spectral range from 0.25 to 2.2µm and 2.94µm. The sensor comes with a standard 1.5 meter cable for connecting to a meter or PC interface.

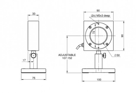
L40(250)A-LP2-50 7Z02794 Thermal Power/Energy Laser Measurement Sensor Drawing:

L40(250)A-LP2-50 Drawing

L40(250)A-LP2-50 7Z02794 Thermal Power/Energy Laser Measurement Sensor Specifications:

Absorber Type LP2
Aperture Ø50mm
Spectral Range 0.25-2.2µm, 2.94 µm
Power Range 300mW-250W
Energy Range 100mJ-10,000J
Dimensions 90 L x 90 W x 33 D (mm)
Max Pulse Energy 10,000J
Max Average Power Density 20kW/cm²
Response Time 2.5 s
Max Energy Density(for <100ns) 0.1J/cm²
Max Energy Density(for 2ms) 130J/cm²
Max Average Power 250W

WeChat

Customer Service QQ

Customer Hotline:

010-52867770
0l0-52867771
l3811111452
l7896OO5796

Technical Supports

0l0-52867774
l7896OO5796
info@dorgean.com